不锈钢夹壳联轴器|联轴器标准-海鹏联轴器
手机站
|
PAD站
|
网站地图
全国服务热线:
13832739356
网站首页
夹壳联轴器
产品展示
鼓形齿联轴器
技术支持
新闻资讯
海鹏简介
加工设备
联系海鹏
进店须知
热门点击:
夹壳联轴器
|
凸缘联轴器
|
鼓形齿式联轴器
|
刚性凸缘联轴器
|
不锈钢夹壳联轴器
|
十字滑块联轴器
|
轮胎联轴器
|
JMJ型双膜片联轴器
|
当前位置:
首页>
联轴器资讯
>
公司新闻
>
无锡不锈钢夹壳联轴器新标准
无锡不锈钢夹壳联轴器新标准
来源:
沧州市海鹏机械制造有限公司
发布时间:2020/6/4 10:48:24
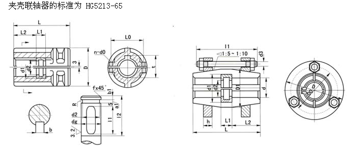
不锈钢夹壳联轴器
是夹壳联轴器型号中比较常用的一种联轴器传动件,它是需要进行利用两个沿轴向剖分的夹壳,用螺栓夹紧以实现两轴联接,靠两半联轴器表面间的摩擦力传递转矩,利用平键作辅助联接。
简析
不锈钢夹壳联轴器
的新标准
【海鹏不锈钢夹壳联轴器实际图】
海鹏机械厂家设计的
不锈钢夹壳联轴器
为了进行完善平衡状况以及螺栓应正或者是倒相间安装。不锈钢夹壳联轴器不具备轴向、径向和角向的补偿性能。它的的特性与夹壳联轴器近似,结构简单,装拆方便,适用于低速(圆周线速度为5M/S),无冲击,振动载荷平稳的场合,宜用于搅拌器等立轴的联接。
浏览更多关于
夹壳联轴器
的内容
相关推荐:
LXZ型带制动轮弹性柱销联轴器
梅花联轴器
梅花型弹性联轴器
链轮联轴器
产品目录
夹壳联轴器
凸缘联轴器
鼓形齿式联轴器
膜片联轴器
不锈钢夹壳联轴器
轮胎联轴器
弹性柱销联轴器
滚子链联轴器
梅花型弹性联轴器
星形弹性联轴器
十字滑块联轴器
蛇形弹簧联轴器
尼龙内齿联轴器
刚性联轴器
QL型滚珠联轴器
联轴器配件
棒销联轴器
相关知识
什么是夹壳联轴器
膜片联轴器原理
膜片联轴器已经准备发往湖南岳阳
GCLD型鼓形齿式联轴器准备发往武汉贵公司
单膜片联轴器准备发往保定贵公司
采购指南
弹性柱销联轴器生产选用哪种材质好
浅析刚性凸缘联轴器加工工艺
刚性联轴器七大类型
凸缘联轴器基本参数和尺寸
蛇形弹簧联轴器安装间隙要求分析
联轴器资讯
鼓形齿式联轴器电机损坏的原因有哪些
蛇形簧联轴器直齿和弧形齿区别
如何选择合适的单膜片联轴器
梅花弹性联轴器生产执行标准
WH型滑块联轴器规格表和图纸
联系我们
沧州市
海鹏机械
制造有限公司
地址: 河北省泊头市西环开发区
联系人: 郭经理
电话: 0317-5661090
手机:13832739356
微信:13832739356
Q Q:1776839823
邮箱:btlzq123@126.com
“扫一扫”加入我们