凸缘联轴器结构示意图【海鹏设计】-海鹏机械
手机站
|
PAD站
|
网站地图
全国服务热线:
13832739356
网站首页
夹壳联轴器
产品展示
鼓形齿联轴器
技术支持
新闻资讯
海鹏简介
加工设备
联系海鹏
进店须知
热门点击:
夹壳联轴器
|
凸缘联轴器
|
鼓形齿式联轴器
|
刚性凸缘联轴器
|
不锈钢夹壳联轴器
|
十字滑块联轴器
|
轮胎联轴器
|
JMJ型双膜片联轴器
|
当前位置:
首页>
联轴器资讯
>
行业新闻
>
凸缘联轴器结构示意图【海鹏设计】
凸缘联轴器结构示意图【海鹏设计】
来源:
沧州市海鹏机械制造有限公司
发布时间:2019/8/7 10:49:04
说道
凸缘联轴器
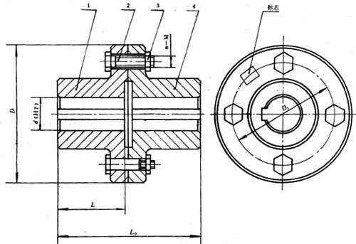
想必大家应该对此联轴器传动件有一些相应的了解吧。海鹏机械厂家会常年进行制作该联轴器传动件,我们在制作的过程中会提前进行绘制凸缘联轴器结构示意图,通过示意图在进行制作成品。
凸缘联轴器
结构示意图以及成品图片:
【凸缘联轴器示意图】
【凸缘联轴器成品图】
海鹏机械厂家制作的
凸缘联轴器
结构比较简单,制造比较方便,成本比较低,而且工作可靠,装拆、维护均较简便,传递转矩较大,能_两轴具有较高的对中精度,一般常用于载荷平稳,高速或传动精度要求较高的轴系传动。
浏览更多关于
YL型凸缘联轴器
的内容
相关内容:
LXZ型带制动轮弹性柱销联轴器
梅花联轴器
梅花型弹性联轴器
链轮联轴器
产品目录
夹壳联轴器
凸缘联轴器
鼓形齿式联轴器
膜片联轴器
不锈钢夹壳联轴器
轮胎联轴器
弹性柱销联轴器
滚子链联轴器
梅花型弹性联轴器
星形弹性联轴器
十字滑块联轴器
蛇形弹簧联轴器
尼龙内齿联轴器
刚性联轴器
QL型滚珠联轴器
联轴器配件
棒销联轴器
相关知识
夹壳联轴器厂家论选型要点及应用特点
为何JM型单膜片联轴器普适性不强
海鹏详谈LM梅花弹性联轴器的安装
海鹏教您挑选膜片联轴器
讲解刚性凸缘联轴器的检修
采购指南
弹性柱销联轴器生产选用哪种材质好
浅析刚性凸缘联轴器加工工艺
刚性联轴器七大类型
凸缘联轴器基本参数和尺寸
蛇形弹簧联轴器安装间隙要求分析
联轴器资讯
鼓形齿式联轴器电机损坏的原因有哪些
蛇形簧联轴器直齿和弧形齿区别
如何选择合适的单膜片联轴器
梅花弹性联轴器生产执行标准
WH型滑块联轴器规格表和图纸
联系我们
沧州市
海鹏机械
制造有限公司
地址: 河北省泊头市西环开发区
联系人: 郭经理
电话: 0317-5661090
手机:13832739356
微信:13832739356
Q Q:1776839823
邮箱:btlzq123@126.com
“扫一扫”加入我们